| Производитель | |
|---|---|
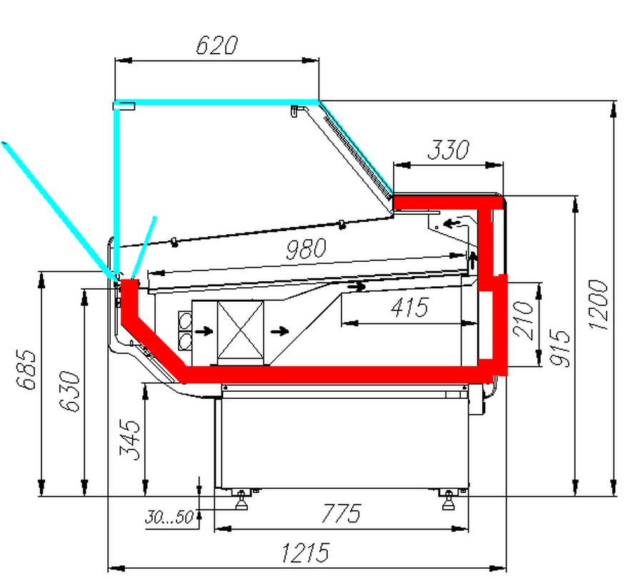
| Длина, мм | |
| Ширина, мм | |
| Высота, мм | |
| Напряжение | |
| Температурный режим | |
| Тип охлаждения | |
| Хладообеспечение | |
| Площадь выкладки | |
| Глубина выкладки | |
| Полезный объем | |
| Оттаивание | |
| Наличие запасника | |
| Темп. окружающей среды |
152 268 ₽
Стандартная комплектация:
- без боковин
- микропроцессорный блок управления с индикацией температуры
- столешница из шлифованной нержавеющей стали
- LED-подсветка основной зоны (цвет “теплый белый”)
- доп. накопитель
- отбойник холода
- ПЭН оттайки поддона слива конденсата
Опции:
- пластиковые боковины заливные ППУ со стеклом
- ТЭН
- стеклянная полка
- перегородка из стекла (в объем витрины или полнопрофильная между витринами)
- стыковочный комплект
- перегородка из стекла полнопрофильная (ставится между витринами)
- LED-подсветка основной зоны (“розовый мясной”)
- деревянная полка для хлебных изделий, сыра, деликатесов
- полка для весов (нерж.)
- 2-ступенчатые поддоны для выкладки товара (нерж.)
- колесная опора 100 мм
- гастроемкости GN2/1×65, GN1/1×65
- LED-подсветка переднего фронта (“теплый белый”)
Возможна стыковка в линию.





















